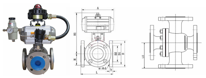
氣動四通球閥
- 閥門型號:Q646F,Q646H
- 通徑規格:DN50~DN500
- 結構形式:“LL”型四通
- 閥體材質:碳鋼WCB、不銹鋼304、316、316L等
- 公稱壓力:PN10、PN16、PN25、PN40
- 適用溫度:-40℃~450℃
- 應用范圍:液體、氣體、油品、漿料及含固體顆粒介質
- 產品特點:可同時切換兩種介質的流向,實現一閥多用
氣動四通球閥概述:
氣動四通球閥可同時對兩種介質的流向進行切換,替代了以前四個閥門的復雜操作,解除了所占空間大、成本高、操作煩瑣等問題,實現一閥多用的效果。氣動四通球閥為X形垂直通道,它的特點是球體的兩條通道為X形布置,四個通道口徑均布于球體赤道圓周截面上,當球體沿順時針旋轉90時,能使相對的兩個通道實現兩兩互通。
氣動四通球閥特點:
氣動四通球閥可實現正反供水切換,每轉90度,供水方式切換一次,操作方便。在電站系統中稱為雙向供水轉閥,在石化系統中也稱空氣換向切換閥,適用于液體、氣體、粉塵、漿料及含固體顆粒介質的循環系統,如電站機組冷卻器正反向循環供水系統。
| 公稱通徑 | DN15~DN200(mm) |
| 公稱壓力 | PN1.6、2.5、4.0、6.4MPa |
| 連接形式 | 法蘭式 |
| 結構形式 | “LL”型四通 |
| 驅動方式 | 氣源控制(壓縮空氣4-7bar) |
| 使用溫度 | -40℃~450℃ |
| 控制形式 | 開關型(開關兩位控制)、調節型(4~20mA信號) |
| 閥體材質 | 碳鋼WCB、不銹鋼304、316、316L等 |
| 密封材料 | PTFE(聚四氟乙烯)、PPL(對位聚苯)、金屬密封(硬質合金) |
氣動四通球閥換向原理:
“LL”型四通球閥只需操作板手或執行器將球體轉動90°,同時對兩種介質的流向進行切換,即方便而迅速,實現一閥多用的效果。
氣動四通球閥可選功能:| 驅動方式 | 壓縮空氣(可帶手輪) |
| 供氣壓力 | 0.4-0.7mpa |
| 氣源接口 | G1/4"、G1/8"、G3/8"、G1/2" |
| 環境溫度 | -30~+70℃ |
| 作用形式 | 單作用(彈簧復位):氣關式(B)--失氣時閥位開(FO);氣開式(K)--失氣時閥位關(FC) 雙作用(通氣開關):氣關式(B)--失氣時閥不變(FL);氣開式(K)--失氣時閥不變(FL) |
| 可選附件 | 定位器、電磁閥、空氣過濾減壓器、保位閥、行程開關、閥位傳送器、手輪機構等 |
相關產品: 氣動L型三通球閥 氣動T型三通球閥 氣動Y型三通球閥